Единая тема обсуждения наземной техники Великобритании (часть 2)

Я посмотрел коробки на 23-2 на Босварке, те больше чем на БАУ 23-2 в 1.5 раза, а в них всего по 50 патрон. Так что в 100 патрон при меньшем объёме абсолютно не верится

(если я конечно правильно увидел магазин на БАУ, потому что снаружи лишь два мелких ящика мб оно открывается и внутрь вставляются магазины)
Визуально вообще не определить где магазин находится.

Спойлер



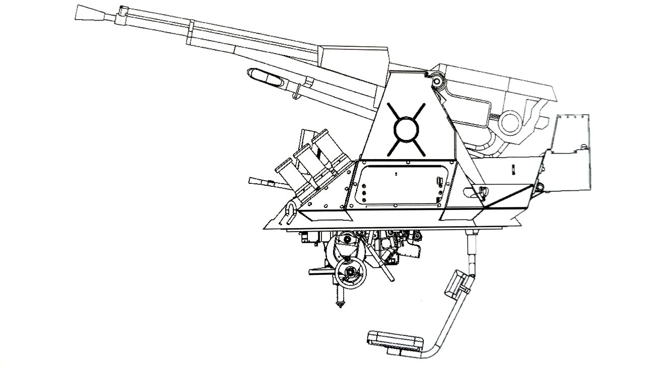
на босварке патроны лежат в этих зелёных коробах:

Я и говорю, что на Босварке в таких коробках всего по 50.
Чего-то хотя-бы такого же размера на БАУ просто не видно.

Ну и где тут бк?

ракурс не слишком удачный

предположу, что либо ленточное питание изнутри корпуса, либо просто не стали ставить короба ради фото

Он такой на абсолютно всех фотках.

Спойлер

Есть фото изнутри корпуса, бк там тоже не видно.

Спойлер


А вот например у поздней модификации БАУ (называется БМ) некое подобие бк видно снаружи

Спойлер

vk-6-4

вот на этом фото, предположительно, материалом жёлтого цвета помечена шахта для ленты, как мне кажется, но лучше, конечно, всё же увидеть схему

Мне кажется Скелетон тебе верно ответил.

Модуль просто не заряжены, а вот из желтой шахты лента шла бы вниз

Хотя может и нет. Слишком мал общий бк, если в башню тянуть.

Раза в 2 больше был бы

Есть видео стрельбы где модуль снаружи выглядит точно также как и все фотки сверху.

Я наврядли скину, потому что это ВК

Спойлер

VK.com | VK

Ну так он говорит, что бк внутрь уходит

До сих пор не понимаю зачем я все еще загружаю их в бк.
https://www.youtube.com/watch?v=hMngIGmczmA

Особенно забавно наблюдать как он иногда насквозь зенитную фуру пролетает без взведения.
Но все-же он оказывается нужен достаточно часто, пусть и требует порой выцеливания по неадекватному картону(
P.s. это еще ладно, я вообще еще 2 дымовых таскаю хД

Не помню откуда, но раньше слышал что у оманских Ч2 только L26. Возможно через этот момент можно было бы его засунуть на 11.3
image
В контексте улиткиной логики для минимарафонов, он мог бы подойти.

1 лайк

даем л28 и получаем еще один челленджер на 11.7

Тогда надо его Италии скормить, а то расслабились со своим лео

они не заслужили такого подарка

Так вот кто их тайно сдерживает)

как будто там есть что сдерживать

В сетапчик к торнадо было бы неплохо